wiring diagram 1996 toyota camry le

Wiring Diagram PDF: 2003 Camry Engine Diagram. 17 Images about Wiring Diagram PDF: 2003 Camry Engine Diagram : 2001 Toyota Camry Wiring Diagram Pdf Collection - Wiring Diagram Sample, Toyota Camry Interior Parts Diagram | Decoratingspecial.com and also repair-manuals: Toyota Camry 1994 Wiring Diagrams.

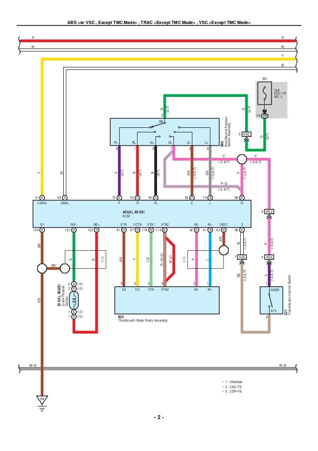
Wiring Diagram PDF: 2003 Camry Engine Diagram

Wiring Diagram PDF: 2003 Camry Engine Diagram wiring-pdf.blogspot.com

fixya schematic

Engine Wiring Diagrams Please?: 1. Where Can I Order A New

Engine Wiring Diagrams Please?: 1. Where Can I Order a New www.2carpros.com

wiring coil camry toyota diagrams sponsored engine links please ignition

Toyota Camry Abs Wheel Speed Sensor Wiring Harness (left). Parking

Toyota Camry Abs wheel speed sensor wiring harness (left). Parking parts.reinhardtmotors.com

skid

Toyota Camry Interior Parts Diagram | Decoratingspecial.com

Toyota Camry Interior Parts Diagram | Decoratingspecial.com www.decoratingspecial.com

corolla parts toyota 2004 wiring body door diagram camry position interior 1992 rear sensor abs speed a19 sc st service

2001 Toyota Camry Wiring Diagram Pdf Collection - Wiring Diagram Sample

2001 Toyota Camry Wiring Diagram Pdf Collection - Wiring Diagram Sample faceitsalon.com

wiring corolla f01 justanswer electrical buharman

Repair-manuals: Toyota Camry 1994 Wiring Diagrams

repair-manuals: Toyota Camry 1994 Wiring Diagrams repair-manuals.blogspot.com

Toyotum Camry Fuse Box 2007 - Complete Wiring Schemas

Toyotum Camry Fuse Box 2007 - Complete Wiring Schemas wiring89.blogspot.com

corolla replaced le3 stickerdeals

1998 Toyota Camry Fuel Pump ~ Best Toyota

1998 Toyota Camry Fuel Pump ~ Best Toyota jemimabohemia.blogspot.com

fuel

Toyota Estima Wiring Diagram Free #5 | Toyota, Diagram, Electrical

toyota estima wiring diagram free #5 | Toyota, Diagram, Electrical www.pinterest.com

toyota wiring estima diagram electrical

1996 Toyota Camry Wiring Diagram

1996 Toyota Camry Wiring Diagram strawberry-sweet.blogspot.com

corolla 4runner tundra capture3 justanswer imageservice 2002 motogurumag

1994 Toyota Camry Wiring Diagram Manual Original

1994 Toyota Camry Wiring Diagram Manual Original www.faxonautoliterature.com

camry diagram wiring toyota 1994 manual

1995 Toyota Camry Wiring Diagram Database - Wiring Diagram Sample

1995 Toyota Camry Wiring Diagram Database - Wiring Diagram Sample faceitsalon.com

xterra electrique schematic roberta database

1989 Toyota Camry Wiring Diagram Manual Original

1989 Toyota Camry Wiring Diagram Manual Original www.faxonautoliterature.com

camry 1989 toyota wiring diagram manual zoom thumbnail

2009 2010 Toyota Corolla Electrical Wiring Diagrams

2009 2010 toyota corolla electrical wiring diagrams www.slideshare.net

wiring ke70

2001 Toyota Camry Wiring Diagram Manual Original

2001 Toyota Camry Wiring Diagram Manual Original www.faxonautoliterature.com

wiring diagram toyota lexus 2001 highlander camry 2006 2002 manual 2003 sienna solara rx es gs 2005 van faxonautoliterature zoom

2003 Toyota Camry V6 A/C Wiring Diagram - ScannerDanner Forum

2003 Toyota Camry V6 A/C Wiring Diagram - ScannerDanner Forum www.scannerdanner.com

camry 2003 toyota wiring diagram v6 scannerdanner weapon knowledge arm battle yourself going well before

2002 Toyota Camry Motor Mounts ~ Best Toyota

2002 Toyota Camry Motor Mounts ~ Best Toyota jemimabohemia.blogspot.com

camry

1996 toyota camry wiring diagram. Corolla 4runner tundra capture3 justanswer imageservice 2002 motogurumag. Wiring coil camry toyota diagrams sponsored engine links please ignition